Alçak gerilim panolarında koruma tedbirleri gün geçtikçe büyük önem taşımaktadır. Enerji altındaki sistemlerin sürdürülebilir enerji altında kalması amacıyla akıllı sistemlerin kullanımı artık ihtiyaç halini almıştır. Bu bağlamda sistemde oluşacak arıza sonrasında erişimde kolaylık ve kısa sürede bakım çalışmaları büyük anlamda maaliyetlerde düşüş sağlayacaktır. Her türlü risk düşünülerek geliştirilen teknolojilerden bir yenisi de alçak gerilim pano sistemlerinde ark sonlandırma cihazlarının entegrasyonudur. Bu sayede tesis içerisinde meydana gelebilecek herhangi bir kısa devre anında sensörler yardımı ile iç ark oluşmadan panonun anabara sistemi topraklanabilmekte ve sistemde oluşacak büyük hasarların önüne geçilebilmektedir.
Alçak gerilim pano sistemlerinde operatör güvenliği amaçlanarak geliştirilen bazı koruma yöntemleri mevcuttur. Bunların en başında pano içerisinde bölmelendirme, izolasyon tedbirleri ve ilave koruma tedbirleri gelmektedir. Bu amaçla gelişen teknoloji ile birlikte farklı tipte koruma çözümleri ortaya çıkmaktadır. Endüstri 4.0’ın gerekliliği olarak, ‘dijitalleşme’ mühendislik firmalarını panolar içerisinde farklı çözümler bulmaya itmektedir. Yeni teknolojilerin geliştirilmesi ile daha yüksek güvenlik tedbirleri alınabilmektedir.
ARK KORUMA SİSTEMLERİNİN PANO İÇERİSİNDE TASARIMI
Geliştirilen ark koruma sistemi teknolojisi ile operatör güvenliği en üst seviyeye çıkarılmıştır ve aynı zamanda tesis bakımı kısa bir sürede yapılarak zarar görmeyen hücreler hızlı bir şekilde enerji altına alınabilmektedir. IEC 61439’a uygun olarak test edilmiş panolar ile tesis ömrü süresince bakım ve kullanım garantisi verilmektedir. Ark sonlandırma sistemlerinin kullanıldığı alçak gerilim panolarda oluşabilecek bir iç arkın önüne geçilerek mekanik olarak oluşabilecek hasarın ve tekrar yapılacak yatırım maaliyetlerinin önüne geçilmektedir. Enerji kesintisi sebebiyle oluşacak aksaklıklar ciddi maddi sonuçlar doğurabileceği için ilk yatırım maaliyeti fazla gibi görülen bu tür sistemlerin ileriye dönük büyük faydalar sağlayacağını söyleyebiliriz. Devre şemada(Şekil-1) görüleceği üzere, sensörler yardımıyla röleye gelen uyarı sonrasında anabara topraklama 3ms kadar kısa bir sürede yapılabilmekte ve anabara besleme hattı devre dışı bırakılmaktadır.

Ark algılama sistemi genel olarak sistem içerisinde kullanım alanına uygun olarak konumlandırılmalıdır. Projede tasarım esnasında ark algılama rölesi ile panolar arası sensör kablo hattı yerleşimi ilgili panolarda büyük önem arz etmektedir. Mekanik bölmelendirmeler arası geçiş esnasında optik kabloların hasar görmeden geçişi ve hat üzerinde en optimum mesafelere konumlandırılmaları sistemin sorunsuz çalışması açısından önemli diğer bir husustur. Sensörler arasında birbirlerine yapılacak seri bağlantılarda anabara bölmesi içerisinde koruyucu tedbirler uygulanmalıdır. Genel olarak panolar arası ve bölmeler içerisinde kablo hattı boyunca toprak hattı üzerinden korunaklı şekilde kablaj yapılması gerekmektedir. Aksi takdirde olası bir kısa devre anında sensör uyarıyı iletemeden hasar görebilir ve panoda iç ark yaratabilir. Dolayısıyla iç arkın önlenmesi ve enerjinin sürekliliğinin sağlanması amaçlanan bu uygulamada cihazlar arası haberleşme unsurları ve tasarımı ciddi önem taşımaktadır.
Ark Söndürme Ünitesi ve Röle Pano Yerleşimi
Ark söndürücü sistemlerinin tesis içerisinde konumlandırılması ayrı bir pano içerisinde olmaktadır. Primer ve sekonder

cihazların tümü bu pano içerisine yerleşimi yapılarak tip testlere uygun şekilde isteğe uygun olarak tasarlanabilmektedir. Aynı zamanda IP54’e kadar koruma sınıfında pano içerisinde konfigürasyonu yapılabilmektedir. Anabara pozisyonuna bağlı olarak topraklama ünitesinin konumu değişiklik göstermekte ve farklı anabara pozisyonlarında sensörlere ait konumlandırmalar değişkenlik gösterebilmektedir. Topraklama ünitesini ile anabara arasında faz bağlantıları yapılarak, olası iç ark anında tüm yükün sönümlenmesi amaçlanmıştır. Olası bir kısa devre anında röle ile topraklama cihazı arasındaki haberleşmeyi sağlayan mikrofiber bağlantı kablosu maksimum 10m olarak tasarlanabilmektedir. Bu sebeple tesis içerisinde kapı üzerine gelen röle tasarımı esnasında kablo boyu konusuna dikkat edilmesi gerekmektedir. Ark koruyucu sistemde 2 farklı türde koruyucu tedbir alınabilmektedir. Röle üzerinden sadece ışığa duyarlı veya ışık ve akıma birlikte duyarlı projeye uygun şekilde kurulum yapılabilmesi mümkündür.
ARK KORUMA SİSTEMİ ELEKTRİKSEL TANIM VE DETAYLAR
Ark, farklı potansiyele sahip iletkenler arasındaki elektriksel arızadan kaynaklanan ve hava üzerinden kısa devre neticesinde oluşan bir yanma olayıdır. Diğer arızalara göre tahrip oranı yüksektir. Sadece zararı ekipmanlara değil çevredeki canlılara da ciddi etkileri mevcuttur. Ark koruma tedbirlerine proje tasarımı esnasında dikkat etmek büyük fayda sağlamaktadır. Bunlardan en önemlilerinden bir tanesi oluşan hasarın sınırlandırılmasıdır. Çeşitli bölümlere yerleştirilen hata algılama sensörleri ve koruma röleleri sayesinde, 2ms'lik hızlı açma süresi ve 3 ms'lik ark söndürme süresinden dolayı şalt üzerindeki toplam tahribat önlenir ve arıza sadece oluştuğu bölümle sınırlandırılır. Bu durum neticesinde bütün tesiste arıza kesintisi olmadığı için uzun kesinti sürelerinin oluşmasını önler. Ayrıca selektif açma da yapılarak sadece arıza bölgesine en yakın olan devre kesici açtırılabilir ve bu durum hata kaynağının nerede olduğunun bulunmasında ciddi bir yardımcı rol oynar. Bir diğer önemli faydası da maliyet tasarrufudur. Oluşacabilecek bir ark arızası sonrasında ilave yatırım maaliyetleri ortaya çıkacaktır. İlk yatırım maaliyetlerine ilave olarak şalt cihazların yenilenmesi, tesis içerisindeki diğer hasarların onarımı vb. gibi yüksek maaliyetler oluşacaktır. Tüm bunların dışında olası bir iç ark sonrası operatörün hayati tehlike ile karşılaşması mümkündür. Bu sebeple tahmin edilemeyecek boyutlarda cezalar ve prestij kayıpları oluşacaktır.
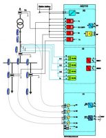
Ark koruma sistemi genel olarak ark koruma rölesi, ark söndürme cihazı ve algılayıcı sensörlerden oluşmaktadır. Ark sensörleri anabara, şalter veya kablo bölmesi gibi çeşitli bölmelere konumlandırılarak ark koruma rölesine bağlanır. Sensörler tarafından hata tespit edildiğinde koruma rölesi vasıtasıyla 2ms içinde en yakın şaltere açtırma komutu yollanmaktadır. Şalterinde açma süresi de buna eklenerek arızaya hızlı bir müdahale gerçekleştirilir. Ark söndürücü daha hızlı bir ark eliminasyonu için tasarlanmıştır. Bunu yapmak için arıza akımı yoluna üç fazlı düşük empedanslı paralel bir yol oluşturur ve ark arızasını söndürme ünitesine çeker böylece arkın panodaki diğer kısımlara uzanmasına izin vermez ve söndürür. Toplam çalışma süresi arkı tamamen ortadan kaldırmak için 3ms'dir. Devre kesicinin bu koruma sistemi sayesinde hızlı bir şekilde devreye girmesi, arkın tam hıza ulaşmasını engellediği için, hem ekipmana hem de çalışanlara daha az hasar vermesini sağlar. Ark sönümleyici cihaz tasarımı 100kA ve 690V’a kadar uygulanabilen ve Thompson Coil teknolojisi kullanılarak geliştirilmiş olan bir sistemdir. Tek girişli bir bara sisteminde ark söndürücü, ark rölesi, ark sensörleri dizilimi ve çalışma prensibine ait örnek bir şekil (Şekil 2) aşağıda gösterilmiştir. Burada çeşitli bölmelere yerleştirilen ışık sensörlerinden koruma ünitesine gelen arıza bilgisi ve ana hat üzerindeki akım trafosundan gelen akım bilgisi ark koruma rölesine iletilir. Sonrasında bu röleden de ark söndürücü ve devre kesiciye açma komutu gönderilir.
Tek Girişli Sistemlerde Örnek Çalışma Prensibi
Koruma rölesinin genel bağlantı detayında belirtildiği üzere seri olarak en fazla 3 adet sensör bağlantısı yapılır (Resim-2) ve sensör girişlerine bağlanır. Akım trafosundan gelen akım bilgileri ise rölenin akım girişlerine bağlanır. Trip röle kontakları ile de aynı zamanda değişik konumlardaki kesicilere açtırma komutu gönderilir. (Şekil 3)
Sensörler arası seri bağlantı Koruma rölesi bağlantı şeması

Işık sensörleri aşağıdaki Resim-3’de gösterildiği gibi ark rölesine bağlanarak arıza bilgisi aktarılır.
Sensör ile Röle Bağlantısı

Ark sönümleme cihazı çalışma prensibi gereği olarak yardımcı gerilim hattı üzerinden beslenerek kendini şarj eder ve hazır komutuyla birlikte sistem içerisinde aktif olduğu bilgisini verir. Olası bir kısa devre anında sistem devreye girmesi durumunda cihaz kapalı konumda olduğu uyarısını verecektir ve bu durumda tekrardan cihazın Şekil-4’te görüldüğü gibi özel aparat yardımıyla 3 kademeli olarak açık pozisyona alınması gerekmektedir. Cihaz kurulumu sonrasında yardımcı gerilim hattı üzerinden kendini tekrardan şarj eder ve hazır komutuyla tekrardan sistemde kullanılabilir hale gelir. Ark sönümleme cihazı özelliği itibari ile 100 defa test edilebilme ve 2 defa yük altında çalışabilme imkanı sağlamaktadır.
Aparat ile Cihazın Tekrar Kurulumu
Geçmişe göre saha koşulları ve maliyetlerin daha önemli hale geldiği günümüz koşullarında panolarda hızlı bir koruma yöntemi olan ark koruması etkili bir yöntem olarak karşımıza çıkmaktadır. Endüstriyel uygulamaların daha dijital olduğu ve hızlandığı koşullarda panolarda arkın anında tespit edilip sönümlendirilmesi etkili bir çözüm olmaktadır. Alçak gerilim panolarda seçilebilen ark sönümleme sistemi de endüstriyel tesislerdeki bu ihtiyacın giderilmesinde çok etkili bir şekilde hizmet etmektedir. Genel olarak ark koruma sistemlerinin faydaları aşağıdaki maddeler halinde özetlenebilir.
- Bakım maliyetlerinin azaltılması
- Hızlı ve etkili bir koruma yöntemi olması
- Operatör güvenliği
- Enerjinin sürdürülebilirliği
- Oluşabilecek ark arızası sonrasında sistemin tekrar devreye alınabilirliği
- Arıza sonrası tekrardan oluşacak yatırım maliyetlerinin engellenmesi
- Endüstriyel tesiste verimliliğin artırılması
- Sistemde oluşan arızanın kolay tespiti ve hızlı müdahale edilebilir olması
- Sistemin kolay kurulum avantajı